Описание General Climate GDU-W-16DR
Фанкойл горизонтального типа с фильтром (EU-2) модели General Climate (Дженерал Климат) GDU-W-16DR характеризуется высокой производительностью и может работать в нескольких ступенях мощности, поэтому поможет быстро и точно отрегулировать оптимальную температуру в промышленном помещении. Прибор оснащен прочным корпусом и качественным медным теплообменником с алюминиевым оребрением.
Особенности фанкойлов рассматриваемой серии от торговой марки General Climate:
- Двухтрубная версия
- Режим работы: охлаждение, нагрев, вентиляция
- Проводной пульт управления необходимо приобрести
- Фильтр EU-2
- Оптимальная форма теплообменника
- Данный тип фанкойла позволяет быстро и просто изменять сторону подключения трубопроводов прямо на объекте
- Свободный напор устанавливается путем выбора соответствующей скорости электродвигателя
- Доп.опции: термостат и запорно-регулирующий узел
Фанкойлы горизонтального типа с фильтром (EU-2) 2-х трубной версии от General Climate были разработаны для промышленных помещений, поэтому отличаются высокой мощностью и отличными показателями точности выдаваемых температур. Все модели из серии быстро устанавливаются и, благодаря эргономичной конструкции корпуса, считаются удобными в техническом обслуживании. Приборы способны работать в режиме охлаждения и обогрева воздуха.
|
Тип
|
Канальные |
|
Тип установки
|
Горизонтальные |
|
Производитель
|
General Climate |
|
S помещения, м²
|
140 |
|
Охлаждение, кВт
|
14 |
|
Обогрев, кВт
|
23,4 |
|
Страна
|
Китай |
|
Шум внутр, дБА
|
42 |
|
Трубы
|
Двухтрубные |
|
Расход воды, л/мин
|
38,7 |
|
Перепад давления, кПа
|
16 |
|
ø вх.воды
|
3/4 |
|
ø вых. воды
|
3/4 |
|
ø дренажа
|
1 |
|
Модель
|
General Climate GDU-W-16DR |
|
Питание, В
|
220/50/1 |
|
Тип вентилятора
|
Центробежный |
|
Напор, Па
|
60 |
|
Средненапорный
|
Да |
|
Гарантия
|
1 год |
|
Расход воздуха, м³/ч
|
2550 |
|
Высота внутр, см
|
34,2 |
|
Ширина внутр, см
|
136,9 |
|
Глубина внутр, см
|
61,2 |
|
Вес внутреннего, кг
|
46 |
|
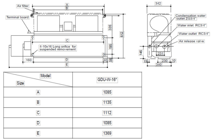
Габаритные размеры (внутренний блок) ШхВхГ, мм
|
342x1369x612 |
Для покупки товара в нашем интернет-магазине выберите понравившийся товар и добавьте его в корзину. Далее перейдите в Корзину и нажмите на «Оформить заказ» или «Быстрый заказ».
Когда оформляете быстрый заказ, напишите ФИО, телефон и e-mail. Вам перезвонит менеджер и уточнит условия заказа. По результатам разговора вам придет подтверждение оформления товара на почту или через СМС. Теперь останется только ждать доставки и радоваться новой покупке.
Оформление заказа в стандартном режиме выглядит следующим образом. Заполняете полностью форму по последовательным этапам: адрес, способ доставки, оплаты, данные о себе. Советуем в комментарии к заказу написать информацию, которая поможет курьеру вас найти. Нажмите кнопку «Оформить заказ».
Оплачивайте покупки удобным способом. В интернет-магазине доступно 3 варианта оплаты:
- Наличные при самовывозе или доставке курьером. Специалист свяжется с вами в день доставки, чтобы уточнить время и заранее подготовить сдачу с любой купюры. Вы подписываете товаросопроводительные документы, вносите денежные средства, получаете товар и чек.
- Безналичный расчет при самовывозе или оформлении в интернет-магазине: карты Visa и MasterCard. Чтобы оплатить покупку, система перенаправит вас на сервер системы ASSIST. Здесь нужно ввести номер карты, срок действия и имя держателя.
- Электронные системы при онлайн-заказе: PayPal, WebMoney и Яндекс.Деньги. Для совершения покупки система перенаправит вас на страницу платежного сервиса. Здесь необходимо заполнить форму по инструкции.
Экономьте время на получении заказа. В интернет-магазине доступно 4 варианта доставки:
- Курьерская доставка работает с 9.00 до 19.00. Когда товар поступит на склад, курьерская служба свяжется для уточнения деталей. Специалист предложит выбрать удобное время доставки и уточнит адрес. Осмотрите упаковку на целостность и соответствие указанной комплектации.
- Самовывоз из магазина. Список торговых точек для выбора появится в корзине. Когда заказ поступит на склад, вам придет уведомление. Для получения заказа обратитесь к сотруднику в кассовой зоне и назовите номер.
- Постамат. Когда заказ поступит на точку, на ваш телефон или e-mail придет уникальный код. Заказ нужно оплатить в терминале постамата. Срок хранения — 3 дня.
- Почтовая доставка через почту России. Когда заказ придет в отделение, на ваш адрес придет извещение о посылке. Перед оплатой вы можете оценить состояние коробки: вес, целостность. Вскрывать коробку самостоятельно вы можете только после оплаты заказа. Один заказ может содержать не больше 10 позиций и его стоимость не должна превышать 100 000 р.