Описание Buderus Logamax U072-12K
Buderus (Будерус) Logamax U072-12K – это двухконтурный газовый котел, выполненный в современном лаконичном корпусе с удобной панелью управления, размещенной спереди модели для комфортной эксплуатации. Представленный агрегат применяется как для организации отопительной системы на жилом объекте, так и для участия в системе горячего водоснабжения.
Особенности и преимущества газовых котлов Buderus серии Logamax U072:
- Диапазон мощности котлов 12, 18 и 24, 35 кВт идеально подойдет как для частного дома, так и для квартиры.
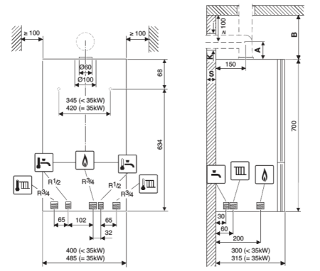
- Вертикальные соединения для подводки труб к котлу обеспечивают максимально удобный монтаж котла
- Бесперебойная работа даже при перепадах давления воды и газа
- Компактность и небольшой вес
- Неприхотливость к перепадам напряжения
- Устойчивость работы при перепадах давления газа
- Модулируемый вентилятор
- Защищенность от замерзания
- Адаптирован к российским условиям
- Обогрев больших площадей (110-240 м2)
- Низкий уровень шума < 36 dBA
- Электронное зажигание
- Контроль пламени при помощи ионизационного электрода
- Индикация кодов ошибок на LCD-дисплее
В серии Logamax U072 от Buderus представлены двух- и одноконтурные газовые котлы, предназначенные для настенной установки в бытовых помещениях. Устройства помогают грамотно обогреть всю необходимую площадь, некоторые из представленных моделей также отлично работают в системах гвс. Котлы оборудованы защитой от замерзания и устойчивы к нестабильному давлению.
|
Вид нагрева
|
газовые |
|
Монтаж
|
настенные |
|
Производитель
|
Buderus |
|
Производ-сть, л/мин
|
8,3 |
|
Контуры
|
Двухконтурные |
|
Страна
|
Россия |
|
Модель
|
Buderus Logamax U072-12K |
|
Max мощность, кВт
|
12 |
|
Вес, кг
|
29 |
|
Электрическая мощность, Вт
|
130 |
|
Тип котла
|
Энергозависимый |
|
Камера
|
Закрытая |
|
Тип теплообменника
|
Раздельный |
|
Min мощность, кВт
|
6 |
|
Max давление отопит контура , Атм
|
3 |
|
Min давление отопит контура , Атм
|
0,8 |
|
Горелка
|
Модулируемая |
|
Max расход природного газа, м³/ч
|
2,02 |
|
Номинальное давление природного газа, мбар
|
16 |
|
Присоединительный ø дымохода, мм
|
100/60 |
|
Присоединительный ø газопровода, дюйм
|
3/4 |
|
Присоединительный ø контур отопления, дюйм
|
3/4 |
|
Режим теплые полы
|
Да |
|
Термостат защиты от перегрева
|
Да |
|
Электронная система управления
|
Да |
|
Контроль пламени
|
Да |
|
Интуитивно понятное управление
|
Да |
|
S отопления, м²
|
120 |
|
Расширительный бак
|
Да |
|
Max расход сжиженного газа, кг/ч
|
1,5 |
|
Защита от замерзания
|
Да |
|
Защита теплообменника от конденсата
|
Да |
|
Возможность установки в жилой зоне
|
Да |
|
Min расход природного газа, м³/ч
|
0,7 |
|
ø дымохода раздельного, мм
|
80 |
|
Max давление в контуре ГВС, Атм
|
8 |
|
Производ-сть Δ ГВС 30С, л/мин
|
8,6 |
|
Присоединительный ø контур ГВС, дюйм
|
1/2 |
|
Min расход сжиженного газа, кг/ч
|
0,51 |
|
Min давление в контуре ГВС, Атм
|
0,3 |
|
Обводной контур (by-pass)
|
Да |
|
Основные режимы
|
Отопление/ГВС |
|
Гарантия
|
2 года |
|
Высота внутр, см
|
70 |
|
Ширина внутр, см
|
40 |
|
Глубина внутр, см
|
29,9 |
|
Габариты (ВхШхГ)
|
70x40x29,9 |
|
Напряжение (В-Фаза-Гц)
|
220 В |
|
Электропитание, ф/Гц/В
|
50 |
Для покупки товара в нашем интернет-магазине выберите понравившийся товар и добавьте его в корзину. Далее перейдите в Корзину и нажмите на «Оформить заказ» или «Быстрый заказ».
Когда оформляете быстрый заказ, напишите ФИО, телефон и e-mail. Вам перезвонит менеджер и уточнит условия заказа. По результатам разговора вам придет подтверждение оформления товара на почту или через СМС. Теперь останется только ждать доставки и радоваться новой покупке.
Оформление заказа в стандартном режиме выглядит следующим образом. Заполняете полностью форму по последовательным этапам: адрес, способ доставки, оплаты, данные о себе. Советуем в комментарии к заказу написать информацию, которая поможет курьеру вас найти. Нажмите кнопку «Оформить заказ».
Оплачивайте покупки удобным способом. В интернет-магазине доступно 3 варианта оплаты:
- Наличные при самовывозе или доставке курьером. Специалист свяжется с вами в день доставки, чтобы уточнить время и заранее подготовить сдачу с любой купюры. Вы подписываете товаросопроводительные документы, вносите денежные средства, получаете товар и чек.
- Безналичный расчет при самовывозе или оформлении в интернет-магазине: карты Visa и MasterCard. Чтобы оплатить покупку, система перенаправит вас на сервер системы ASSIST. Здесь нужно ввести номер карты, срок действия и имя держателя.
- Электронные системы при онлайн-заказе: PayPal, WebMoney и Яндекс.Деньги. Для совершения покупки система перенаправит вас на страницу платежного сервиса. Здесь необходимо заполнить форму по инструкции.
Экономьте время на получении заказа. В интернет-магазине доступно 4 варианта доставки:
- Курьерская доставка работает с 9.00 до 19.00. Когда товар поступит на склад, курьерская служба свяжется для уточнения деталей. Специалист предложит выбрать удобное время доставки и уточнит адрес. Осмотрите упаковку на целостность и соответствие указанной комплектации.
- Самовывоз из магазина. Список торговых точек для выбора появится в корзине. Когда заказ поступит на склад, вам придет уведомление. Для получения заказа обратитесь к сотруднику в кассовой зоне и назовите номер.
- Постамат. Когда заказ поступит на точку, на ваш телефон или e-mail придет уникальный код. Заказ нужно оплатить в терминале постамата. Срок хранения — 3 дня.
- Почтовая доставка через почту России. Когда заказ придет в отделение, на ваш адрес придет извещение о посылке. Перед оплатой вы можете оценить состояние коробки: вес, целостность. Вскрывать коробку самостоятельно вы можете только после оплаты заказа. Один заказ может содержать не больше 10 позиций и его стоимость не должна превышать 100 000 р.